Наши проекты
Изготовление стальных емкостей на заказ
2024-08-19
Здание камеры быстрой заморозки
2024-08-05
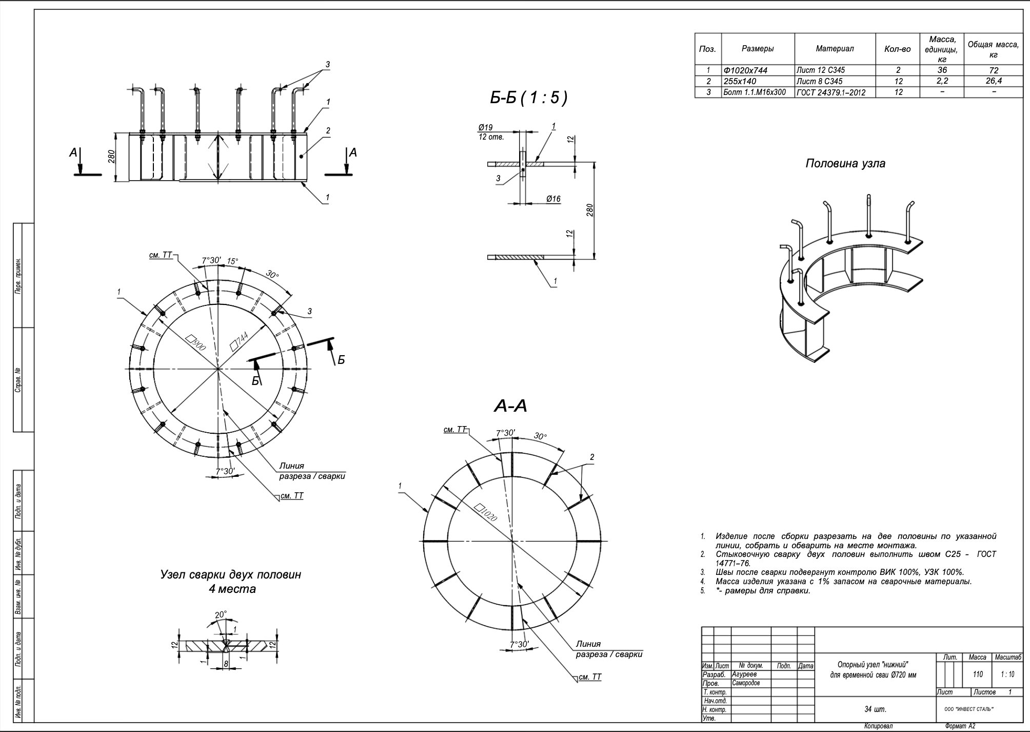
Нижний опорный узел для временной сваи
2024-08-05
Элемент пожарной лестницы
2024-06-11
Рама для промышленного оборудования
2024-06-11
Обечайки диаметром 3200 мм
2024-06-11
Дымовая труба диаметром 3200 мм
2024-06-11
Труба футлярная поддорожная (Футляр для инжен
2024-05-24
Рама фундаментная для рудной мельницы
2024-05-24
Полукольцо, Ст 3, R 2400 мм, Толщина стенки 1
2024-05-24
Футляр сварной из обечаек
2024-05-24Компания ГК «Инвест Сталь» реализует уникальные проекты промышленной металлообработки и производства металлоконструкций для различных отраслей. Здесь представлены выполненные работы - от емкостей, резервуаров до промышленных и строительны металлоконструкций и других изделий.
Каждый проект - результат высококвалифицированного труда команды инженеров и технологов, применения современных технологий и строгого контроля качества. Мы всегда стремимся найти оптимальное решение для задач клиента, учитывая требования по надежности, безопасности и срокам.
В разделе «Наши проекты» вы можете ознакомиться с фотоотчетами работ, узнать специфику и сроки реализации каждого кейса. Если у вас есть задача по металлообработке или строительству, мы готовы предложить индивидуальное решение и полный цикл производства.
Свяжитесь с нами по телефону +7 (495) 188-80-44 или почте info@investsteel.ru для запроса стоимости и консультации.